Koll Sauna Logo
Montageanleitung
Kolltrol E12S und E12SD 7/7
Stand 01.01.2005
- nur für Kundendienst -
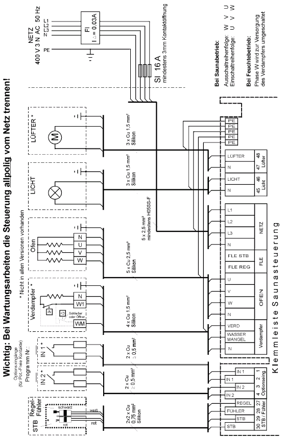
Anschlussplan:
 
Koll-Sauna.de  Delbrück 05250/9848-0  München 089/542636-0  Berlin 030/89372224