Koll Sauna Logo
Montageanleitung
Sauna für den privaten und gewerblichen Einsatz. Stand 01.11.2003
Kolltrol Emotec D9003 1/2
Für finnische Sauna und Kolldarium (mit Zusatzverdampfer)
Montage des Steuergerätes Wandbefestigung
Das Steuergerät darf nur außerhalb der Kabine montiert werden. Als Montageort wählen Sie zweckmäßigerweise die Kabinenaußenwand an der innen der Saunaofen befestigt ist. Sind bereits Leerrohre für die elektrischen Installationen vorhanden, ist die Position des Steuergerätes durch diese vorbestimmt. Zur Montage verfahren Sie bitte nach folgender Anweisung:

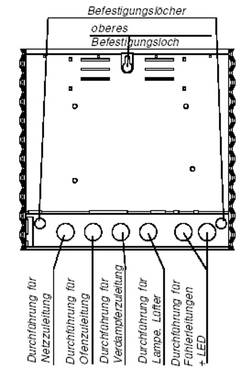
1. Nehmen Sie die Abdeckung des Steuergerätes ab. Dazu drücken Sie mit einem flachen Schraubenzieher die Befestigungsnase nach innen und ziehen Sie das Gehäuse-Oberteil durch Schwenken
nach oben ab (Abb links). Die Bohrungen Ø 3 mm für die mitgelieferten Holzschrauben 4 x 20 mm werden entsprechend den in Abb. rechts angegebenen Maßen angebracht.

 

 

 

2. In das obere mittlere Loch drehen Sie eine der Holzschrauben. An dieser Schraube wird das Steuergerät eingehängt. Lassen Sie zu diesem Zweck die Schraube ca. 3 mm herausstehen (Abb. links)

3. Das Steuergerät in die 3 mm herausstehende Schraube in das obere Befestigungsloch einhängen. Setzen Sie die mitgelieferten Gummitüllen in die Öffnungen an der Gehäuserückwand ein und führen Sie dann die Anschlusskabel durch diese Öffnungen. Schrauben Sie das Gehäuseunterteil in den beiden unteren Bohrungen fest an die Kabinenwand.

Hinweis: Wenn die Saunakabine nicht mit Leerrohren versehen oder nicht mit eines demontierbaren Brett versehen ist, müssen die Saunaleitungen außen auf der Kabine verlegt werden. Daher muss das Steuergerät etwas auf Abstand montiert werden, damit die Kabel zum Steuergerät geführt werden können. Hierzu dienen die mitgelieferten drei Stück Distanzröhrchen, die wie in Abb. 3.3 gezeigt das Unterteil auf Abstand halten.
Die elektrische Sauna-Einrichtung (Saunaofen, Steuergerät, Beleuchtung usw. darf nur durch eine von Koll-Saunabau geschulte und unterwiesene Person gemäß VDE 1000 Teil 10 oder durch einen örtlich zugelassenen Elektroinstallateur mittels festen Anschluss an das Netz angeschlossen werden. Dabei sind insbesondere die Normen und deren Teile VDE 0100, VDE 700, VDE 0701, VDE 0702 zu beachten.
Grundsätzlich darf nur ein fester Anschluss an das Netz erfolgen, wobei eine Einrichtung vorzusehen ist, die es ermöglicht die Anlage mit einer Kontaktöffnungsweite von mind 3 mm allpolig vom Netz zu trennen.
Alle Anschlussleitungen, die im Inneren der Kabine verlegt werden, müssen für eine Umgebungstemperatur von mindestens 140°C geeignet sein. Zweckmäßig ist eine Silikonleitung.
Koll-Sauna.de  Delbrück 05250/9848-0  München 089/542636-0  Berlin 030/89372224